![]() |
T-34/85 Engine Compartment | |||
| Kit # 72022 | Preview by Rob Haelterman - heman_148(at)hotmail(dot)com | |||
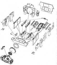
| When I opened the box, I was mightily impressed by the large number of pieces in this kit. When I discovered that there was nothing resembling a manual (except for the picture on the box-top), amazement turned into bafflement and eventually into despair. My first thought was that if a modeler is to assemble all these parts in the right spot, then a well-stuffed library is required. Fortunately, Pavel Benesz from BP Resin contacted me the day this preview was first posted. I now have a clear picture (that looks like an alternative box-top) and a very clear manual. (See pictures at the bottom of this page.) It seems that my set lacked them, which
would have been a real shame, as the quality of the casting is sublime,
and the effect one will be able to obtain with this set breath-taking. This set is meant for the Dragon T-34/85 kit, and I guess that's the kit I will be using, although at this stage I see no reason why I couldn't fit it to a Dragon T-34/76. (If our readers can tell me why it couldn't, please let us know.) I know there were some differences to the oil tanks during the war, but what exactly remains obscure. Highly recommended, especially now that I have the manual. |
| Back to BP Resin List | Back to Home Page |
| Article Last Updated: 07 February 2011 |