|
I had a couple of hours between meetings yesterday and decided to pull
open the box of a model that arrived here a couple of days ago. It's
not like I don't have enough projects on the go!
What is it?
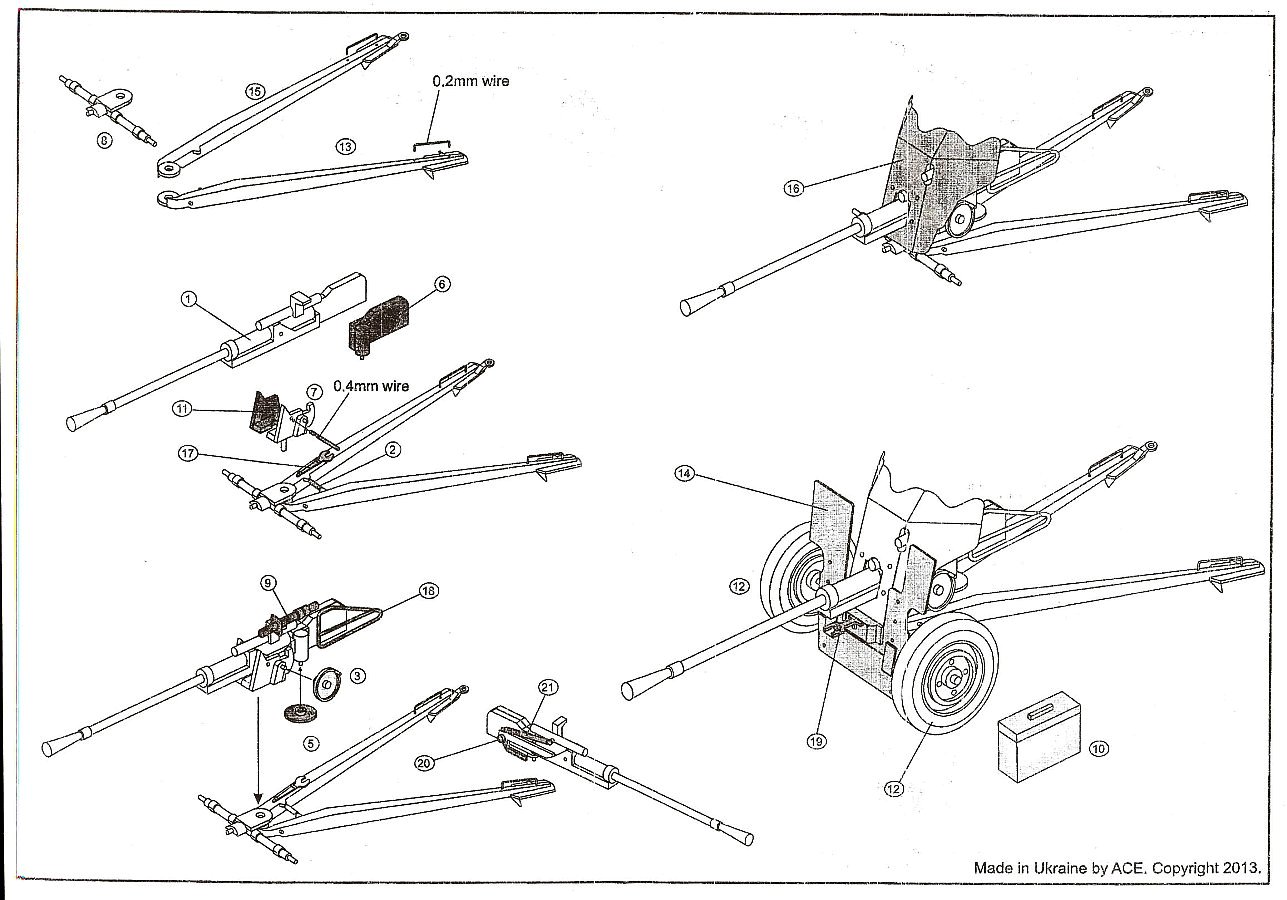
As billed above, it is the Ace kit no. 72523, 'French 25mm Anti-tank gun
S.A. Mle 1934'. To you and me, it is the Hotchkiss. It comes as a
single, small sprue comprising 23 parts, well wrapped in a poly bag,
inside its attractively printed cardboard box. There is a clear set of
instructions to walk you through the building process. Three suggested
finishes - Royal Irish Fusiliers, BEF France, 1940; Wehrmacht, Leningrad
region, winter 1941; French Army, May 1940. There are no transfers
(not unreasonably) and the French one offers the opportunity for a
dappled camouflage scheme.

Preparation
The moulding is ever-so-slightly softer than you might get from current
big manufacturers but not at all bad. It took about ten minutes to
clean up the parts, which was essentially just removing mould lines.
There were no ejector pin marks in awkward spots. Only one part showed
any sink marks - a small ammunition box and this was easily resolved
with a little putty. Before starting you will need a couple of bits of
wire/rod material - one bit of 0.4mm rod to act as a pivot for the gun
(I used 0.5mm brass rod) and some 0.2mm wire for the handles at the back
of the trails (I used 3-amp fuse wire).
Build
A little test fitting was required to get good fits. The only involved
process was drilling a slightly bigger hole to accept the spigot that
comes out of the bottom of the mounting into the parts that make up the
trail assembly. I also further thinned the edges of the gun shield to
make it look a little more scale thickness. Some of the parts are
really tiny and so handling could be an issue if you suffer any patience
issues. From my experience, you could factor in an additional ten
minutes of searching for parts on the floor.
Conclusion
All done in an hour and ten minutes - which includes pinching a couple
of figures from Zvezda kits to pose next to it. A model making sprint! I
must admit I really rather enjoyed building it, and it makes up into a
very attractive little model of a rare and neglected subject.
Some pictures of the built but unpainted model follow. Mine will be
painted as the Royal Irish Fusiliers option as my grandfather served
with the regiment between the wars.
Review sample purchased by the author.

|